Предлагаемое расположение петель Forme Invisio F40

Нагрузка на петли Forme Invisio F40
При правильной регулировке, когда все петли Forme Invisio F40 несут нагрузку, в таблице представлен предполагаемый допустимый вес двери в зависимости от количества петель и ширины двери при высоте двери не менее 2000 мм.

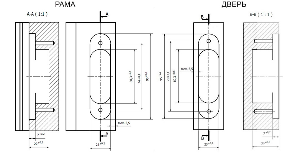
Размеры фрезерования под петли Forme Invisio F40

Сначала вставьте более глубокую часть петли с надписью «DOOR» в гнездо двери в правильном положении и закрепите петлю, закрутив два винта с потайной головкой D5x35 мм (минимум).
Затем установите дверь в коробку вставив рамочную часть петли в гнездо, и закрепите петлю, вкрутив два винта с плоской головкой D4,5x35 мм (минимум).
Отрегулируйте все петли и в конце вставьте лицевой крышки, чтобы скрыть все винты. Если вам нужно снять лицевую крышку, делайте это осторожно.
Положение петли по отношению к размерам двери и коробки

Методы регулировки петель Forme Invisio F40

Для регулировки понадобится 4 мм шестигранный ключ и крестовая отвертка. Регулировка Forme Invisio F40 производится после установки двери, когда все петли находятся под нагрузкой.
A – регулировка петель Forme Invisio F40 по вертикали – диапазон ±2,5 мм
С помощью крестовой отвертки ослабьте винты (1) на рамной части петель.
Затем поднимите дверь в нужное положение – это проще сделать с помощью клина или воздушной подушки.
После регулировки затяните все винты (1) с усилием 5 Нм.
B – регулировка петель Forme Invisio F40 по глубине – диапазон ±1 мм
C – регулировка петель Forme Invisio F40 по горизонтали – диапазон ±2 мм
Регулировка глубины и горизонтальная регулировка производится одновременно.
Отрегулируйте петли Forme Invisio F40 попеременно поворачивая оба эксцентриковых винта (2).